
集粗破碎細破碎為一體,取代傳統的顎式破碎機及反擊式破碎機,減少流程、減少維修,從而提高生產效率。

可破碎長度1200mm以下的物料,克服傳統設備不能破碎大料的缺點。

可破碎花崗巖、玄武巖、鵝卵石、鐵礦石等高硬度、磨損大的物料。破碎硬質石料選用鑲大金牙錘或者同時澆鑄的硬質合金錘,也可選用反擊式板錘。

比傳統設備配置能省50%以上的投資。

比傳統設備能節電50%以上。

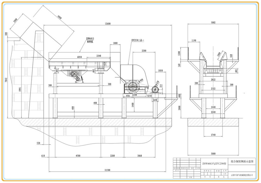
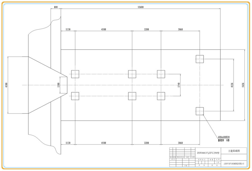
全國率先采用組合鋼架設計,方便快速安裝(最快一天可整套安裝完工),節約土建基礎投資,節省時間,配有梯子和操作平臺的組合鋼架,讓操作人員操作和維修更安全和人性化。

普通石料除錘頭和反擊襯板外,整個使用過程基本不用更換配件(沒有比二合一更省配件的破碎設備)。

越來越多的用戶在使用和推薦其他人使用二合一,未來五年這一技術將會全國披靡,現在不用五年之后一定使用。

未來設備采購的模式一定是網上了解,廠家考察,用戶現場考察,減少中間環節。以最低的采購成本享受廠家一對一最貼心最專業的服務。
新型高效節能型二合一破碎機破碎原理:
●石打石及石打鐵過程:
通過給料設備送到破碎機后,高速旋轉的巨型錘或板錘將大型物料拋向上方,與正在進入破碎機腔體的物料相互撞擊自然破碎,余力又將尚未破碎的物料拋向頂部反擊襯板,反復打擊,依靠石打石及石打鐵的原理實現物料的破碎。
●物料整形過程:
成型的物料進入下機體反擊襯板進行整形,整形完成后排出破碎腔。
●質量保證:
出來的物料無片狀、無光滑體、多角多棱保正抗壓強度。
●返料可數:
物料經過調整反擊支架的間隙,也可選用加長錘或者加寬錘保證出料粒度大小,出料粒度最小可達40mm以下。
●轉子可選:
1、普通物料選用重錘式轉子。
2、硬質物料或磨損較大的物料選用板錘式轉子。
●一機多用:
1、可作一破用,集粗細破為一體。
2、可作二破用,大型顎破選配小型二合一破碎機,作新型反擊破用。
3、可作制砂機用,選用板錘式轉子通過調整間隙達20mm以下通過篩分,是理想的制砂設備,對硬質或磨損大的物料特有效。
ZFC80型新型高效節能型二合一破碎機術參數: